Image source: Zepp Health

Amazfit HYROX watch gets clearer in new regulatory filing

The mystery Amazfit watch from the HYROX Warsaw clip now looks a bit less mysterious. After looking through the image in the regulatory filing, we have concluded that model A2553 is the same device, complete with what looks to be a 45mm display, angular outer shell and a sizeable 780mAh battery.

A couple of weeks ago, we wrote about a HYROX Warsaw promo video from Amazfit Poland that appeared to show an unannounced Balance-style watch. At the time, the design looked close to the Balance 2, but the case architecture was different enough to raise questions.

A few days ago Zepp Health posted this teaser on their social media channels.

Amazfit teaser

The new regulatory material now adds more detail to that earlier sighting and the teaser. We are, however, missing the final retail name.


The HYROX watch now looks like A2553

The watch shown in the HYROX Warsaw clip had a familiar round display and general Balance-like proportions, but the surrounding case did not look like the standard Balance 2. It had a more angular frame, more pronounced lugs, screw-like details around the top and bottom and a more rugged case-to-strap transition.

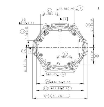
That is where today’s FCC filing gets interesting. The drawing for Amazfit model A2553 shows a large round watch sitting inside an angular outer structure, with the same kind of reinforced shape seen in the HYROX image. Looking through both side by side, to us this looks like the same device.

The HYROX image also shows a rotating crown at the upper right. The filing drawing is more technical and does not read like a consumer render, so it does not clearly explain the controls. But the overall case geometry lines up well enough to connect the two.


The filing gives us proper hardware clues

The documents identify the device as a production unit. So this does not look like an early concept floating around inside a marketing department. The confidentiality clause on the full FCC filing runs out in six months, so we should see the watch before then.

A2553 has a 780mAh cell, which sits above the 700mAh battery in the T-Rex 3 but below the 870mAh one in the T-Rex Ultra 2. So this is not small-watch territory. It looks more like a bigger premium fitness watch, which fits the chunky HYROX design we saw earlier. Hence the emphasis on “BIG” in the teaser image.

Connectivity includes Bluetooth and 2.4GHz Wi-Fi. The antenna documentation also covers receiver ranges around 1170MHz to 1180MHz and 1570MHz to 1580MHz, which points towards dual-band GNSS support. The filing does not spell out the final positioning feature set, so that should be treated as a strong hardware clue rather than a finished product claim.

Detail
What the filing shows
Model number
A2553
FCC ID
2AC8UA2553
Product type
Smart watch
Internal reference
Oslo antenna
Battery
780mAh rechargeable Li-ion battery
Charging input
DC 5V, 1.5A
Connectivity
Bluetooth and 2.4GHz Wi-Fi
GNSS clue
Antenna ranges around 1170MHz to 1180MHz and 1570MHz to 1580MHz point to dual-band GNSS support
Display diameter
45mm (probably)
Widest measured case span
51.73mm
Case shape
Round display inside a more angular outer shell
Still unknown
Retail name, launch date, sensor list, final software features and pricing

The size points to something above a standard Balance

The drawing gives us a few useful size clues. The watch appears to have a 45mm display, while the widest measured span across the outer case structure is 51.73mm. That makes sense when you look back at the HYROX pic, where the device looked broader and more built-up than the regular Balance 2.

It’s worth noting that these are mechanical or antenna-related references rather than retail case dimensions. The safer takeaway is that this is a large round watch with a wider angular shell around it.

This also explains why the earlier HYROX watch looked slightly odd at first glance. It was not just a Balance 2 with a different watch face. The case itself appears to be different, with a more protective outer frame and a more engineered strap connection.


The retail name is still the missing piece

The filing does not give us the final marketing name, so that part remains open. But the HYROX tie-in may be the clue.

Zepp Health has been leaning into HYROX as a fitness partnership and a more rugged Balance-style edition would fit that direction. The watch could end up as a special edition, a Pro-style variant or a fitness-focused version of Balance 2 with different casing and hardware tweaks. Or perhaps even a part of the T-Rex range.

The earlier HYROX Warsaw pic now looks less like a one-off promo image and more like an early public glimpse of real hardware. With the company teaser and now FCC material adding battery, connectivity, GNSS and size clues, we have a clearer picture of what Zepp Health has been preparing.

This article originally appeared on Gadgets & Wearables, the first media outlet to report the story.

Source: FCC

Don’t miss the latest from Gadgets & Wearables

Subscribe to our monthly newsletter and check out our YouTube channel.

You can also follow Gadgets & Wearables on Google News and add us as a preferred source in Google Search.

Add as a preferred source on Google

Ivan Jovin

Ivan has been a tech journalist for over 12 years now, covering all kinds of technology issues. Based in the US - he is the guy who gets to dive deep into the latest wearable tech news.

Ivan Jovin has 2063 posts and counting. See all posts by Ivan Jovin

One thought on “Amazfit HYROX watch gets clearer in new regulatory filing

  • Well this is very interesting, as many have pointed out in recent months the number of products that amazing is coming out with is quite excessive. Instead of pushing dozens of different lines they need to stick to just a few and start putting more effort into their software and their features.
    I actually prefer their bip line and I am hoping that the future bip7 start to trickle down some additional features as other budget line models already have these features.

    Reply

Leave a Reply

Your email address will not be published. Required fields are marked *

This site uses Akismet to reduce spam. Learn how your comment data is processed.